Dokumentace k řadě & bonusy


184typak.jpg
Typový výkres typu ŠKODA 93E (řada 184 SD).
Sbírka: Robert Škrlant2655 × 1700 pix755 KiB

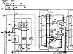
184elschema.jpg
Elektrické schéma stroje typu ŠKODA 93E (řada 184 SD).
Sbírka: Robert Škrlant1480 × 1024 pix348 KiB

184501stitek.jpg
Výrobní štítek lokomotivy 184 501-5.
Foto: Rosťa Kolmačka   800 × 600 pix81 KiB

184cisfil.jpg
Lokomotiva 184 504-9 s odklopenými filtry při provozním ošetření.
Foto: Robert Škrlant   800 × 600 pix144 KiB

184pult.jpg
Pohled na aktuální podobu řídícího pultu všech lokomotiv.
Foto: Robert Škrlant   800 × 600 pix169 KiB

184503stan2.jpg
Pohled na řídící pult stroje 184 503-1.
Foto: Rosťa Kolmačka   800 × 600 pix167 KiB

184503stan1.jpg
Levá část stanoviště obsluhy lokomotivy 184 503-1.
Foto: Rosťa Kolmačka   800 × 600 pix169 KiB

184klaryst.jpg
Původní klávesnice pro zadávání rychlostí na řídícím pultu.
Foto: Robert Škrlant   800 × 600 pix119 KiB

184klaryno.jpg
Nová klávesnice pro zadávání rychlostí na lokomotivě 184 504-9.
Foto: Rosťa Kolmačka   800 × 600 pix150 KiB

184501st1.jpg
Zadní stěna 1. stanoviště stroje 184 501-5 - bílá dvířka ukrývají řídící počítač.
Foto: Robert Škrlant   800 × 600 pix109 KiB

184501st2.jpg
Zadní stěna 2. stanoviště stroje 184 501-5.
Foto: Robert Škrlant   800 × 600 pix101 KiB

184503poc1.jpg
Řídící počítač v kabině lokomotivy 184 503-1.
Foto: Rosťa Kolmačka   800 × 600 pix134 KiB

184poczad.jpg
Zadní strana řídícího počítače stroje 184 504-9.
Foto: Robert Škrlant   768 × 768 pix214 KiB

184hlavyp.jpg
Hlavní vypínač na lokomotivě 184 504-9.
Foto: Robert Škrlant   580 × 768 pix117 KiB

184hlavyp2.jpg
Hlavní vypínač s odklopenou komorou.
Foto: Robert Škrlant   800 × 600 pix137 KiB

184odpsbe.jpg
Odpojovač sběračů stroje 184 504-9.
Foto: Robert Škrlant   800 × 600 pix125 KiB

184smeprep.jpg
Směrový přepínač a odpojovače motorových skupin stroje 184 504-9.
Foto: Robert Škrlant   800 × 600 pix146 KiB

184styktop.jpg
Stykače topení na lokomotivě 184 504-9.
Foto: Robert Škrlant   768 × 768 pix171 KiB

184stystre.jpg
Jízdní a brzdový stykač středního podvozku stroje 184 504-9.
Foto: Robert Škrlant   800 × 600 pix136 KiB

184primen1.jpg
Primární měnič stroje 184 504-9 - pohled ze strany strojovny.
Foto: Robert Škrlant   800 × 600 pix148 KiB

184primen2.jpg
Primární měnič stroje 184 504-9 - pohled z ventilační uličky.
Foto: Robert Škrlant   800 × 600 pix157 KiB

184menic.jpg
Polovina trakčního měniče (GTO) stroje 184 504-9 s odebranými kryty.
Foto: Robert Škrlant   800 × 600 pix146 KiB

184jistice.jpg
Blok jističů a ochran, vlakový zabezpečovač LS 90 a rychloměr Metra LT.
Foto: Robert Škrlant   580 × 768 pix127 KiB

184kompres2.jpg
Kompresor SE 180 Lok na lokomotivě 184 504-9.
Foto: Robert Škrlant   800 × 600 pix146 KiB

184kompresor.jpg
Kompresorové soustrojí na lokomotivě 184 504-9.
Foto: Robert Škrlant   800 × 600 pix145 KiB

184podvoz2.jpg
Kompletní podvozky těsně po rozpojení s lokomotivou 184 504-9.
Foto: Robert Škrlant   800 × 600 pix153 KiB

184podvoz1.jpg
Pohled shora na podvozek bez trakčního motoru s dobře patrným brzdovým válcem.
Foto: Robert Škrlant   800 × 600 pix138 KiB

184pricnik2.jpg
Pohled na podvozek s podvlečeným příčníkem při vyvázaných trakčních motorech.
Foto: Robert Škrlant   800 × 600 pix116 KiB

184pricnik1.jpg
Nádherný pohled na demontovaný podvlečený příčník stroje 184 504-9.
Foto: Robert Škrlant   800 × 600 pix142 KiB

184motor.jpg
Trakční motor typu 3AL4542 FiR v podvozku stroje 184 504-9.
Foto: Robert Škrlant   800 × 600 pix117 KiB

184snimot.jpg
Čep nápravy se snímačem otáček; pružiny v pozadí tvoří primární vypružení.
Foto: Robert Škrlant   800 × 600 pix130 KiB

184sekvyp.jpg
Pružiny sekundárního vypružení s dobře viditelným podvlečeným příčníkem.
Foto: Robert Škrlant   800 × 600 pix124 KiB

184502tlumic.jpg
Tlumič vrtivého pohybu na podvozku lokomotivy 184 502-3 (na jiném stroji tlumiče vrtivého pohybu nejsou).
Foto: Rosťa Kolmačka   800 × 600 pix113 KiB

184brzda.jpg
Špalíková brzda lokomotivy 184 504-9.
Foto: Robert Škrlant   800 × 600 pix121 KiB

184brzdy1.jpg
Brzdový válec a mechanická část brzdového systému na podvozku.
Foto: Robert Škrlant   800 × 600 pix154 KiB

184baterie.jpg
Pohled pod víko skříně s bateriemi.
Foto: Robert Škrlant   768 × 768 pix150 KiB

184depr.jpg
Deformační prvek za nárazníkem stroje 184 504-9.
Foto: Robert Škrlant   800 × 600 pix126 KiB

184503defprv.jpg
Pohled na demontovaný deformační prvek.
Foto: Robert Škrlant   800 × 600 pix208 KiB

184jimky.jpg
Dvě z osmi jímek hlavního vzduchojemu stroje 184 504-9.
Foto: Robert Škrlant   800 × 600 pix131 KiB

184503brzodp.jpg
Pohled na demontovaný blok ventilátorů brzdového odporníku stroje 184 503-1.
Foto: Robert Škrlant   800 × 600 pix180 KiB

184503pruhstre1.jpg
Neobvyklý pohled do strojovny lokomotivy 184 503-1 se naskytl po demontáží bloku ventilátorů.
Foto: Robert Škrlant   800 × 600 pix160 KiB

184503pruhstre3.jpg
Jiný pohled do strojovny lokomotivy 184 503-1 po demontáží bloku ventilátorů.
Foto: Robert Škrlant   800 × 600 pix161 KiB

184503pruhstre2.jpg
Pohled shora do stroje 184 503-1 na blok vzduchotechniky a část vzduchojemů.
Foto: Robert Škrlant   800 × 600 pix156 KiB

184503sberac1.jpg
Sběrač lokomotivy 184 503-1 ve zdvižené poloze.
Foto: Rosťa Kolmačka   768 × 768 pix197 KiB

184503sberac2.jpg
Sběrač stroje 184 503-1 ve stažené poloze a klimatizační jednotka.
Foto: Rosťa Kolmačka   800 × 600 pix182 KiB

184strecha.jpg
Sběrač a přilehlá část střechy stroje 184 504-9.
Foto: Robert Škrlant   800 × 600 pix163 KiB


Zobrazeno 46 z celkem 124 dostupných snímků této řady a celkem 13749 fotografií na stránkách.